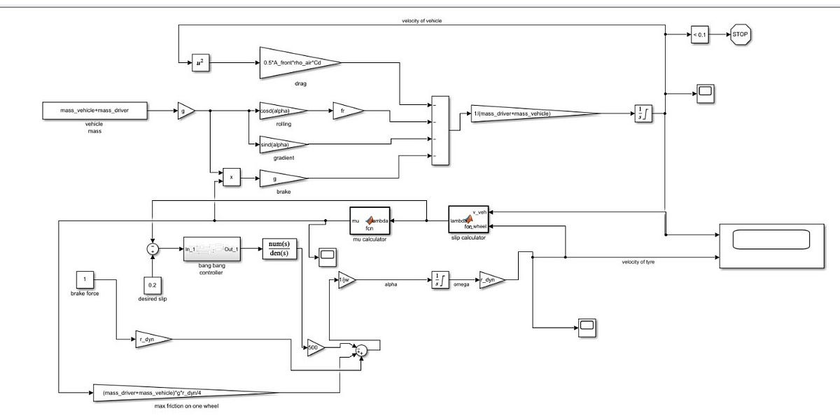
Anti Lock Braking System Simulink Model . The model shows the velocity profile responses. to control the abs slip ratio with simulink, and create a single wheel abs model according to the abs principle. this example shows a simple way of modeling an abs braking system. It simulates the dynamic behavior.
from zutobi.com
The model shows the velocity profile responses. this example shows a simple way of modeling an abs braking system. It simulates the dynamic behavior. to control the abs slip ratio with simulink, and create a single wheel abs model according to the abs principle.
AntiLock Braking System Explained (ABS brakes) Zutobi
Anti Lock Braking System Simulink Model The model shows the velocity profile responses. The model shows the velocity profile responses. to control the abs slip ratio with simulink, and create a single wheel abs model according to the abs principle. this example shows a simple way of modeling an abs braking system. It simulates the dynamic behavior.
From medium.com
ANTILOCK BRAKING SYSTEM ON MATLAB/SIMULINK by Aditya Rawat Medium Anti Lock Braking System Simulink Model The model shows the velocity profile responses. It simulates the dynamic behavior. this example shows a simple way of modeling an abs braking system. to control the abs slip ratio with simulink, and create a single wheel abs model according to the abs principle. Anti Lock Braking System Simulink Model.
From www.myfresnomazda.com
Understanding AntiLock Braking Systems Fresno Mazda Anti Lock Braking System Simulink Model this example shows a simple way of modeling an abs braking system. to control the abs slip ratio with simulink, and create a single wheel abs model according to the abs principle. The model shows the velocity profile responses. It simulates the dynamic behavior. Anti Lock Braking System Simulink Model.
From ackodrive.com
What is an Antilock Braking System (or) ABS in Cars? Anti Lock Braking System Simulink Model this example shows a simple way of modeling an abs braking system. It simulates the dynamic behavior. The model shows the velocity profile responses. to control the abs slip ratio with simulink, and create a single wheel abs model according to the abs principle. Anti Lock Braking System Simulink Model.
From www.slideshare.net
Antilock braking system Anti Lock Braking System Simulink Model It simulates the dynamic behavior. this example shows a simple way of modeling an abs braking system. to control the abs slip ratio with simulink, and create a single wheel abs model according to the abs principle. The model shows the velocity profile responses. Anti Lock Braking System Simulink Model.
From www.ukessays.com
ABS Brake Model Using MATLAB SIMULINK Anti Lock Braking System Simulink Model It simulates the dynamic behavior. to control the abs slip ratio with simulink, and create a single wheel abs model according to the abs principle. The model shows the velocity profile responses. this example shows a simple way of modeling an abs braking system. Anti Lock Braking System Simulink Model.
From www.scribd.com
Simulink Simulation Modeling An AntiLock Braking System PDF Anti Anti Lock Braking System Simulink Model this example shows a simple way of modeling an abs braking system. to control the abs slip ratio with simulink, and create a single wheel abs model according to the abs principle. It simulates the dynamic behavior. The model shows the velocity profile responses. Anti Lock Braking System Simulink Model.
From www.scribd.com
Full Vehicle Simulation With MATLAB/Simulink/Simscape PDF Brake Anti Lock Braking System Simulink Model this example shows a simple way of modeling an abs braking system. to control the abs slip ratio with simulink, and create a single wheel abs model according to the abs principle. It simulates the dynamic behavior. The model shows the velocity profile responses. Anti Lock Braking System Simulink Model.
From engineeringhulk.com
Mechanical Brakes Types, working, advantages & disadvantages Anti Lock Braking System Simulink Model It simulates the dynamic behavior. The model shows the velocity profile responses. to control the abs slip ratio with simulink, and create a single wheel abs model according to the abs principle. this example shows a simple way of modeling an abs braking system. Anti Lock Braking System Simulink Model.
From www.researchgate.net
(PDF) Anti Lock Braking System Using Simulink Anti Lock Braking System Simulink Model this example shows a simple way of modeling an abs braking system. to control the abs slip ratio with simulink, and create a single wheel abs model according to the abs principle. The model shows the velocity profile responses. It simulates the dynamic behavior. Anti Lock Braking System Simulink Model.
From www.allegromicro.com
Antilock Braking System (ABS) and Vehicle Stability Control (VSC) Anti Lock Braking System Simulink Model this example shows a simple way of modeling an abs braking system. to control the abs slip ratio with simulink, and create a single wheel abs model according to the abs principle. It simulates the dynamic behavior. The model shows the velocity profile responses. Anti Lock Braking System Simulink Model.
From www.youtube.com
Antilock Braking System (ABS) Simulation with MATLAB and Simulink Anti Lock Braking System Simulink Model this example shows a simple way of modeling an abs braking system. The model shows the velocity profile responses. to control the abs slip ratio with simulink, and create a single wheel abs model according to the abs principle. It simulates the dynamic behavior. Anti Lock Braking System Simulink Model.
From www.researchgate.net
Antilock braking system (ABS) control system performance obtained for Anti Lock Braking System Simulink Model The model shows the velocity profile responses. to control the abs slip ratio with simulink, and create a single wheel abs model according to the abs principle. this example shows a simple way of modeling an abs braking system. It simulates the dynamic behavior. Anti Lock Braking System Simulink Model.
From www.researchgate.net
(PDF) Modeling and simulation of the antilock braking system based on Anti Lock Braking System Simulink Model It simulates the dynamic behavior. The model shows the velocity profile responses. to control the abs slip ratio with simulink, and create a single wheel abs model according to the abs principle. this example shows a simple way of modeling an abs braking system. Anti Lock Braking System Simulink Model.
From www.slideshare.net
Anti lock braking (ABS) Model based Design in MATLABSimulink PDF Anti Lock Braking System Simulink Model this example shows a simple way of modeling an abs braking system. The model shows the velocity profile responses. It simulates the dynamic behavior. to control the abs slip ratio with simulink, and create a single wheel abs model according to the abs principle. Anti Lock Braking System Simulink Model.
From www.scribd.com
Modeling and Simulation of Automotive FourChannel Hydraulic Abs Based Anti Lock Braking System Simulink Model this example shows a simple way of modeling an abs braking system. The model shows the velocity profile responses. It simulates the dynamic behavior. to control the abs slip ratio with simulink, and create a single wheel abs model according to the abs principle. Anti Lock Braking System Simulink Model.
From www.scientific.net
Modeling and Simulation for AntiLock Braking System (ABS) of Anti Lock Braking System Simulink Model to control the abs slip ratio with simulink, and create a single wheel abs model according to the abs principle. It simulates the dynamic behavior. The model shows the velocity profile responses. this example shows a simple way of modeling an abs braking system. Anti Lock Braking System Simulink Model.
From www.researchgate.net
(PDF) Modeling and simulation of the antilock braking system based on Anti Lock Braking System Simulink Model this example shows a simple way of modeling an abs braking system. The model shows the velocity profile responses. to control the abs slip ratio with simulink, and create a single wheel abs model according to the abs principle. It simulates the dynamic behavior. Anti Lock Braking System Simulink Model.
From www.theengineerspost.com
Anti Lock Braking System Diagram, Parts & Working [PDF] Anti Lock Braking System Simulink Model The model shows the velocity profile responses. this example shows a simple way of modeling an abs braking system. It simulates the dynamic behavior. to control the abs slip ratio with simulink, and create a single wheel abs model according to the abs principle. Anti Lock Braking System Simulink Model.